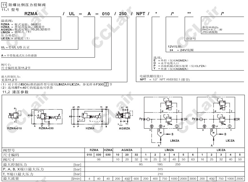
HZMA/UL-A-030/80/NPT/O/24,HZMA/UL-A-030/180/NPT/O/24,HZMA/UL-A-030/250/NPT/O/24,阿托斯ATOS防爆比例壓力控制閥



ATOS意大利阿托斯普通會員
站內搜索
|
您當前的位置:首頁 » 產品&解決方案 » HZMA/UL-A-030/80/NPT/O/24,HZMA/UL-A-030/180/NPT/O/24,HZMA/UL-A-030/250/NPT/O/24,阿托斯ATOS防爆比例壓力控制閥
HZMA/UL-A-030/80/NPT/O/24,HZMA/UL-A-030/180/NPT/O/24,HZMA/UL-A-030/250/NPT/O/24,阿托斯ATOS防爆比例壓力控制閥
詳細信息 HZMA/UL-A-030/80/NPT/O/24,HZMA/UL-A-030/180/NPT/O/24,HZMA/UL-A-030/250/NPT/O/24,阿托斯ATOS防爆比例壓力控制閥
![]() ![]() ![]() 共0條 相關評論 |