主要技術指標:
◆叉體長度:44mm~100mm(必要時可訂制更大長度);
◆供電電壓:DC24V ;
◆叉體工作(介質)溫度:
普通型:-20~80℃
中溫型:-20~130℃
高溫型:-20~200℃
◆環(huán)境溫度:-20~70℃;
◆工作壓力:≤2.5MPa;
◆介質密度:≥ 0.7g/cm3(液體)、>0.1g/ cm3(固體);
◆輸出方式:繼電器開關量(觸點容量:5A,220VAC或24VDC,5A)
◆功率消耗:≤0.25W;
◆安裝方式:螺紋連接(可用戶訂制);
◆電氣接口:M15×1.5
◆外殼防護:IP65;
◆叉體材質:316不銹鋼
一、微型音叉式物位開關工作原理
HF-YC-微型音叉式物位開關是一種新型的物位開關。本產品是一種采用音叉原理設計的液點液位開關。它是一種緊湊開關,配備耐用的不銹鋼本體和音叉,可用于各種液體應用場合。3/4”或 1”經濟型液位開關通過螺紋安裝與管道或儲罐上,或者通過衛(wèi)生連接件安裝于食品工業(yè)設施。直接負荷開關適用于所有電源或PNP輸出,用于可編程邏輯控制器 (PLC)的直接接口。提供防止溢出認證,僅適用于安全區(qū)域。
使用壓電晶體以音叉的固有頻率對音叉進行振動。對于這種頻率的變化,可進行連續(xù)監(jiān)控。當產品用于低報警用途時,容器內的液體向下排放流經音叉,引起固有頻率變化,這一變化被電子元件檢測,從而切換輸出狀態(tài)。當用于高報警用途時,容器內的液體上升并與音叉接觸又可切換輸出狀態(tài)。
選擇音叉的固有頻率(約1300Hz),一防止受到設備振動的干擾,這種干擾可能引起錯誤的開關動作,音叉的長度較短從而使伸入容器或管道的長度達到最 短,由于該產品的設計采用短音叉技術,因此實際上可用于所有液體應用場合。大量的研究已使音叉設計達到最高的運行頻率,從而使該產品適用于所有的液體,包 含涂覆液體(消除音叉粘連搭接)、充氣液體和漿液。
二、微型音叉式物位開關適用范圍
微型音叉式物位開關是一種新型的物位開關。幾乎適用于所有液體介質,同時也適用于測量能自由流動的中等密度的固體粉末或顆粒。由于音叉物位開關基本沒有活動部件,機械磨損比較下,因此無需維護和調整,使用簡單方便。另外,該物位開關采用國外的新技術和原裝進口芯片,具有使用壽命長、性能穩(wěn)定、安全可靠等優(yōu)點,以及適應性強(被測介質不同的電參數、密度對測量均不產生影響)、不需調校(無論測量何種介質都不需要現場調校)和免于維護等特點,廣泛應用于冶金、建材、化工、輕工、糧食等行業(yè)中物位的過程控制。
三、微型音叉式物位開關產品特點
* 運行真正免受流動、湍流、氣泡、泡沫、振動、固體含量、涂覆、液體特性以及產品變化的影響
* 不需要標定而且所需要的安裝工序最少
* 極性不敏感而且有短路保護功能
* 采用工業(yè)標準的插頭/插座連接件
* 無活動零件或縫隙真正實現免維護
* 電子元件、自檢和狀態(tài)監(jiān)控-LED顯示狀態(tài)信息和完好信息
* 磁性測試點為功能測試提供方便
* 緊湊型設計使外形小巧且重量較輕
*“快速低落”的音叉設計對于粘性液體具有更快的響應時間
* 衛(wèi)生連接件。
四、微型音叉式物位開關主要技術參數
1.物理特性
產品:該產品為緊湊型液位開關
測量原理:振動音叉
應用:可用于大多數液體,包括涂覆液體、充氣液體和漿液
2.機械特性
過程材料: 316L 不銹鋼(1.4404);對于Tri-Clamp 接頭連接件,人工拋光的表面光潔度優(yōu)于0.8um。
1”BSPP(G1)的墊片材料為非石棉BS7531 X 級碳素纖維,配有橡膠粘合劑。
3.外殼材料
殼體:304 不銹鋼,配有聚酯標牌;
LED顯示窗口:阻燃聚酰胺 (Pa12)UL94 V2;插頭,聚酰胺玻璃插頭;
密封:丁腈橡膠122”(50mm)
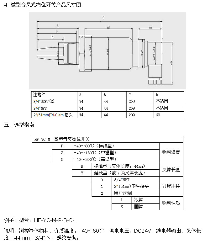
安裝: 3/4”BSPT(R)或NPT;1”BSPT(R)或BSPP(G)螺紋,或者2”(51mm)衛(wèi)生Tri-clamp接頭配件
產品防護等級: IP66/67,符合標準EN60529
HF-YC-M-Z-B-0-L,HF-YC-M-G-B-0-L,HF-YC-M-P-Y-0-L,HF-YC-M-G-Y-0-L,HF-YC-M-P-B-1-L,HF-YC-M-Z-B-1-L,HF-YC-M-P-Y-1-L,HF-YC-M-Z-Y-1-L,HF-YC-M-G-Y-1-L,
HF-YC-M-P-B-2-L,HF-YC-M-Z-B-2-L,HF-YC-M-G-B-2-L,
HF-YC-M-P-Y-2-L,HF-YC-M-Z-Y-2-L,HF-YC-M-G-Y-2-L,
客服熱線:

