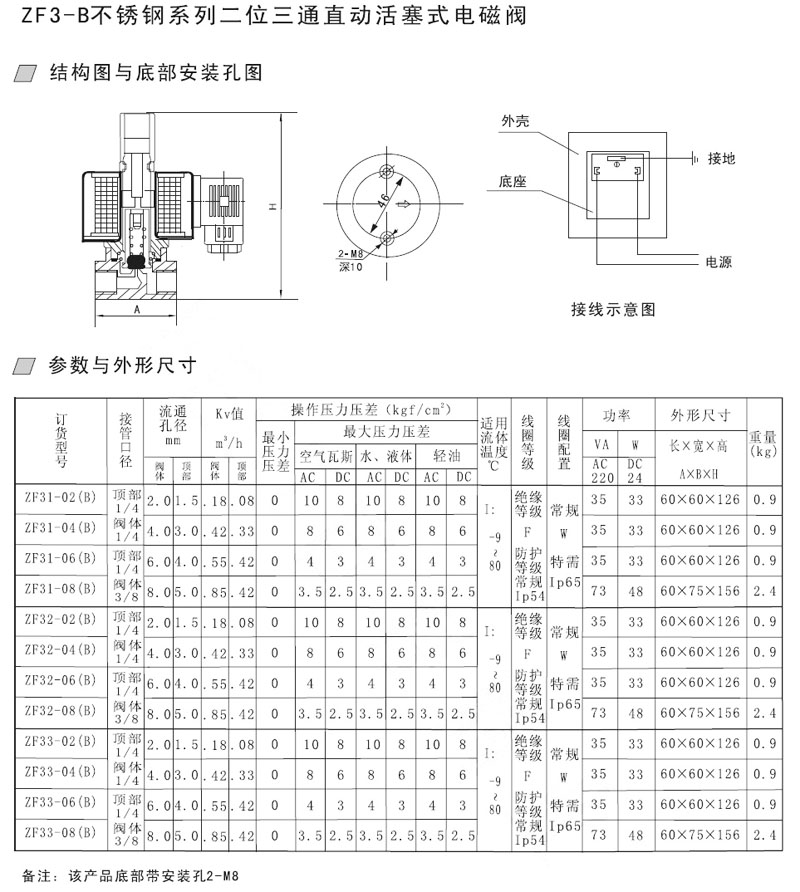
ZF31-06,ZF31-08,ZF32-06,ZF32-08,ZF33-02,ZF33-04,


電磁閥 電動閥 球閥 蝶閥 手操器 電動執(zhí)行器 閥門電動裝置 氣動閥普通會員
站內搜索
|
ZF31-02,ZF31-04,ZF32-02,ZF32-04,ZF33-06,ZF33-08,直動活塞式電磁閥
詳細信息 ZF31-02,ZF31-04,ZF32-02,ZF32-04,ZF33-06,ZF33-08,直動活塞式電磁閥
ZF31-06,ZF31-08,ZF32-06,ZF32-08,ZF33-02,ZF33-04,
共0條 相關評論 |