
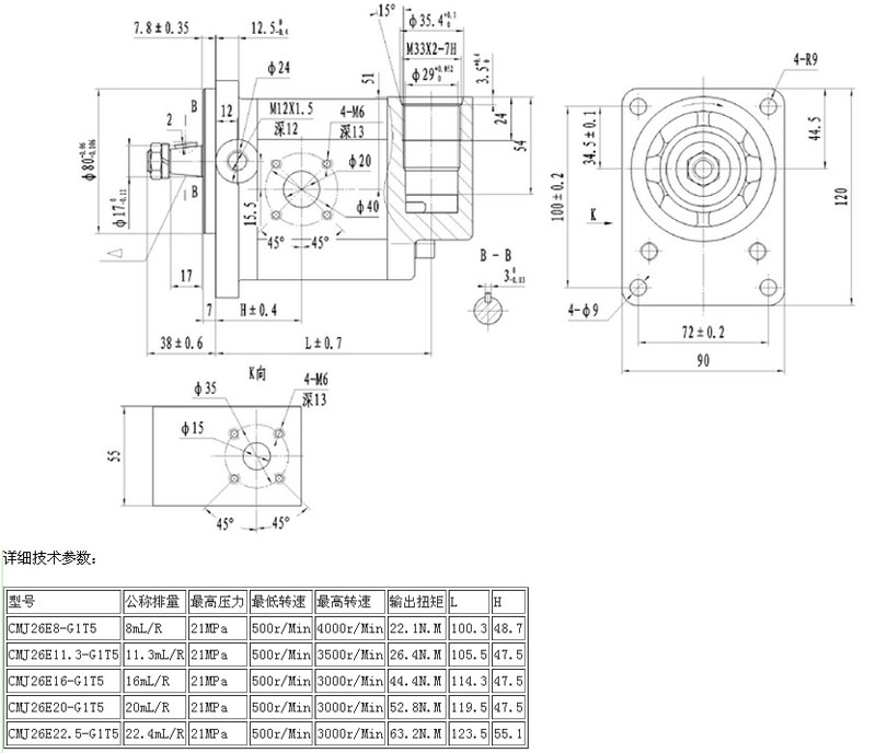
CMJ26E8-G1T5,CMJ26E11.3-G1T5,CMJ26E16-G1T5,CMJ26E20-G1T5,CMJ26E22.5-G1T5,齒輪馬達
客服熱線:13812199898 13861877712
齒輪泵 葉片泵 擺線馬達 制動器普通會員
站內搜索
|
CMJ26E8-G1T5,CMJ26E11.3-G1T5,CMJ26E16-G1T5,CMJ26E20-G1T5,CMJ26E22.5-G1T5,齒輪馬達
詳細信息 CMJ26E8-G1T5,CMJ26E11.3-G1T5,CMJ26E16-G1T5,CMJ26E20-G1T5,CMJ26E22.5-G1T5,齒輪馬達
共0條 相關評論 |