

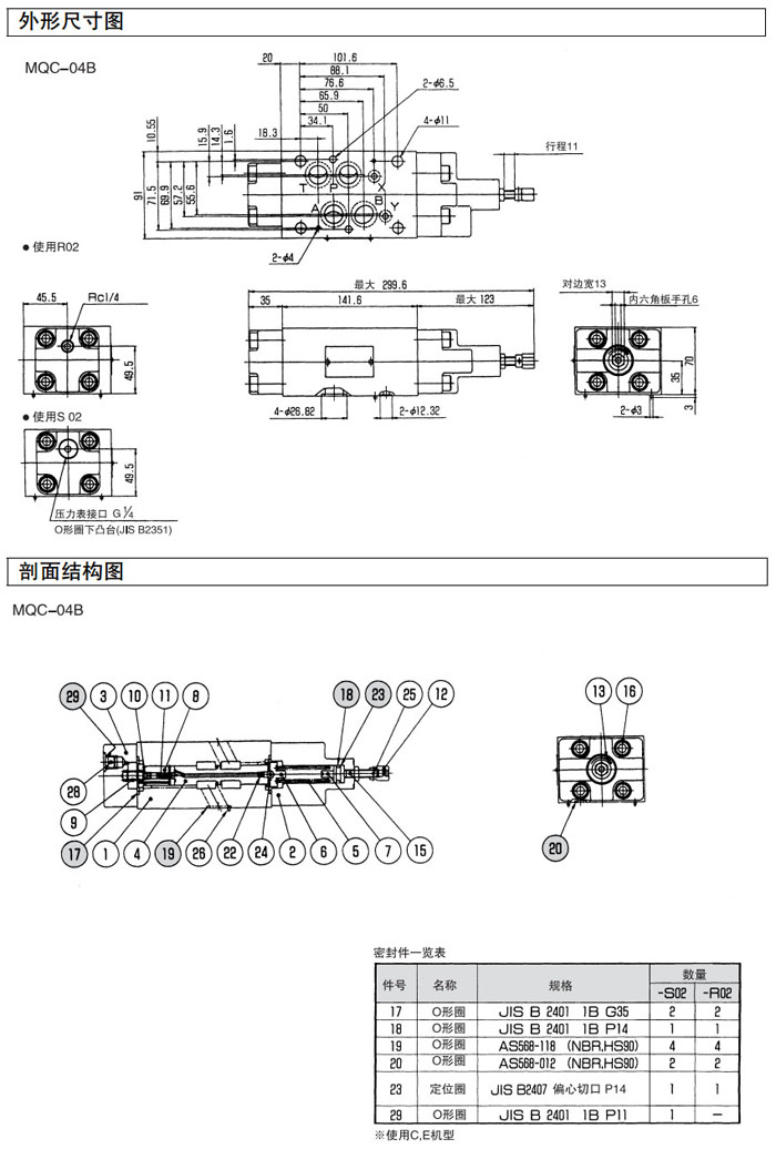
MQC-04A-1A-10,MQC-04A-1C-10,MQC-04A-1E-10,MQC-04B-1A-10,MQC-04B-1C-10,MQC-04B-1E-10,DAIKIN疊加型平衡閥
DAIKIN大金工業(yè)株式會社普通會員
站內搜索
|
您當前的位置:首頁 » 產品&解決方案 » MQC-04A-1A-10,MQC-04A-1C-10,MQC-04A-1E-10,MQC-04B-1A-10,MQC-04B-1C-10,MQC-04B-1E-10,DAIKIN疊加型平衡閥
MQC-04A-1A-10,MQC-04A-1C-10,MQC-04A-1E-10,MQC-04B-1A-10,MQC-04B-1C-10,MQC-04B-1E-10,DAIKIN疊加型平衡閥
詳細信息 MQC-04A-1A-10,MQC-04A-1C-10,MQC-04A-1E-10,MQC-04B-1A-10,MQC-04B-1C-10,MQC-04B-1E-10,DAIKIN疊加型平衡閥
共0條 相關評論 |