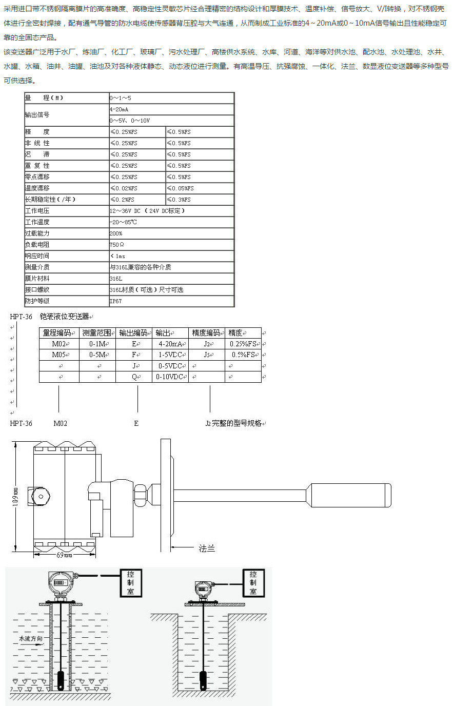
HPT-36-M02-E-J2,鎧裝液位變送器
HPT-36-M05-E-J2,HPT-36-M02-F-J2,HPT-36-M05-F-J2,
HPT-36-M02-J-J2,HPT-36-M05-J-J2,HPT-36-M02-Q-J2,
HPT-36-M05-Q-J2,HPT-36-M02-E-JS,HPT-36-M05-E-JS,
HPT-36-M02-F-JS,HPT-36-M05-F-JS,HPT-36-M02-J-JS,
HPT-36-M05-J-JS,HPT-36-M02-Q-JS,HPT-36-M05-Q-JS,
HPT-36-M02-E-J2,HPT-36-M05-E-J2,HPT-36-M02-F-J2,HPT-36-M05-F-J2,鎧裝液位變送器
客服熱線:

