產品特征:
| PFYS | -10 | -4 | -N |
| (1) | (2) | (3) | |
| (1)吸盤直徑(mm) | (2)行程mm | (3)吸盤材料 | |||||
| 2 | 35 | 2.5 | 15 | N | 丁腈橡膠 | ||
| 3.5 | 40 | 3 | 20 | S | 硅膠 | ||
| 5 | 50 | 4 | 25 | NE | 導電性丁腈橡膠 | ||
| 6 | 60 | 5 | 30 | SE | 導電性硅膠 | ||
| 8 | 80 | 6 | 50 | ||||
| 10 | 95 | 10 | 70 | ||||
| 15 | 100 | ||||||
| 20 | 120 | ||||||
| 25 | 150 | ||||||
| 30 | 200 | ||||||
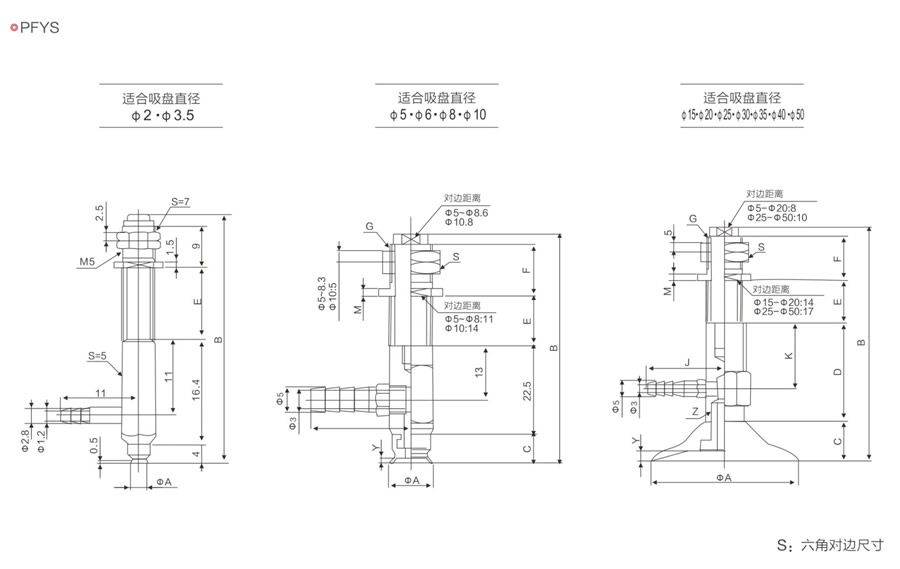
產品外形尺寸:
| 型號 | A | B | C | D | E | F | G | J | K | S | M | Y | Z |
| PFYS-2-2.5 | 2 | 35.7 | - | - | 4.5 | - | - | - | - | - | - | - | - |
| PFYS-2-5 | 2 | 40.7 | - | - | 9.5 | - | - | - | - | - | - | - | - |
| PFYS-3.5-2.5 | 3.5 | 35.7 | - | - | 4.5 | - | - | - | - | - | - | - | - |
| PFYS-3.5-5 | 3.5 | 40.7 | - | - | 9.5 | - | - | - | - | - | - | - | - |
| PFYS-5-3 | 5 | 51 | 6.5 | - | 6 | 13 | M9*P1 | - | - | 12H | 2 | 0.8 | - |
| PFYS-5-10 | 5 | 65 | 6.5 | - | 20 | 13 | M9*P1 | - | - | 12H | 2 | 0.8 | - |
| PFYS-5-15 | 5 | 75 | 6.5 | - | 30 | 13 | M9*P1 | - | - | 12H | 2 | 0.8 | - |
| PFYS-5-25 | 5 | 95 | 6.5 | - | 50 | 13 | M9*P1 | - | - | 12H | 2 | 0.8 | - |
| PFYS-6-3 | 6 | 51 | 6.5 | - | 6 | 13 | M9*P1 | - | - | 12H | 2 | 0.8 | - |
| PFYS-6-10 | 6 | 65 | 6.5 | - | 20 | 13 | M9*P1 | - | - | 12H | 2 | 0.8 | - |
| PFYS-6-15 | 6 | 75 | 6.5 | - | 30 | 13 | M9*P1 | - | - | 12H | 2 | 0.8 | - |
| PFYS-6-25 | 6 | 95 | 6.5 | - | 50 | 13 | M9*P1 | - | - | 12H | 2 | 0.8 | - |
| PFYS-8-3 | 8 | 51.5 | 7 | - | 6 | 13 | M9*P1 | - | - | 12H | 2 | 0.8 | - |
| PFYS-8-10 | 8 | 65.5 | 7 | - | 20 | 13 | M9*P1 | - | - | 12H | 2 | 0.8 | - |
| PFYS-8-15 | 8 | 75.5 | 7 | - | 30 | 13 | M9*P1 | - | - | 12H | 2 | 0.8 | - |
| PFYS-8-25 | 8 | 95.5 | 7 | - | 50 | 13 | M9*P1 | - | - | 12H | 2 | 0.8 | - |
| PFYS-10-4 | 10 | 60 | 7.5 | - | 8 | 19 | M11*P1 | - | - | 14H | 3 | 1.5 | - |
| PFYS-10-10 | 10 | 72 | 7.5 | - | 20 | 19 | M11*P1 | - | - | 14H | 3 | 1.5 | - |
| PFYS-10-20 | 10 | 82 | 7.5 | - | 40 | 19 | M11*P1 | - | - | 14H | 3 | 1.5 | - |
| PFYS-10-30 | 10 | 112 | 7.5 | - | 60 | 19 | M11*P1 | - | - | 14H | 3 | 1.5 | - |


客服熱線:

