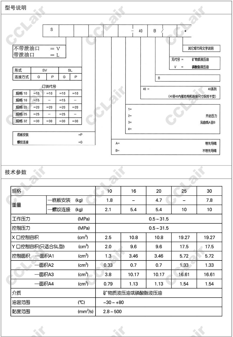
SV10,SV15,SV20,SV25,SV30,SL10,SL15,SL20,SL25,SL30,SL30PB3-40,SL20GA2-40,SV20GB3-40,huade液控單向閥
SV10GA1-40,SV10GA2-40,SV10GA3-40,SV15GA1-40,SV15GA2-40,SV15GA3-40,SV20GA1-40,SV20GA2-40,
SV20GA3-40,SV25GA1-40,SV25GA2-40,SV25GA3-40,SV30GA1-40,SV30GA2-40,SV30GA3-40,SV10GB1-40,
SV10GB2-40,SV10GB3-40,SV15GB1-40,CCLair SV15GB2-40,SV15GB3-40,SV20GB1-40,SV20GB2-40,








SV25GB1-40,SV25GB2-40,CCLair SV25GB3-40,SV30GB1-40,SV30GB2-40,SV30GB3-40,SV10PA1-40,SV10PA2-40,
SV10PA3-40,SV20PA1-40,SV20PA2-40,SV20PA3-40,SV30PA1-40,SV30PA2-40,SV30PA3-40,SV10PB1-40,
SV10PB2-40,SV10PB3-40,SV20PB1-40,SV20PB2-40,SV20PB3-40,SV30PB1-40,SV30PB2-40,SV30PB3-40,
SL10GA1-40,SL10GA2-40,華德品牌 SL10GA3-40,SL15GA1-40,SL15GA2-40,CCLair SL15GA3-40,SL20GA1-40,
SL20GA3-40,SL25GA1-40,SL25GA2-40,SL25GA3-40,SL30GA1-40,SL30GA2-40,SL30GA3-40,SL10GB1-40,
SL10GB2-40,SL10GB3-40,SL15GB1-40,SL15GB2-40,SL15GB3-40,SL20GB1-40,SL20GB2-40,SL20GB3-40,
SL25GB1-40,SL25GB2-40,SL25GB3-40,SL30GB1-40,SL30GB2-40,SL30GB3-40,SL10PA1-40,SL10PA2-40,
SL10PA3-40,SL20PA1-40,SL20PA2-40,SL20PA3-40,SL30PA1-40,SL30PA2-40,SL30PA3-40,SL10PB1-40,
SL10PB2-40,CCLair SL10PB3-40,SL20PB1-40,huade品牌 SL20PB2-40,SL20PB3-40,SL30PB1-40,SL30PB2-40,
客服熱線:



