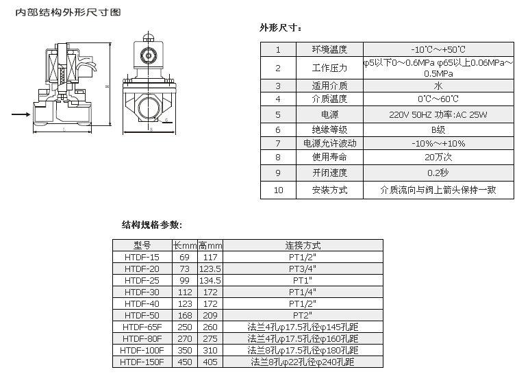
HTDF-25,HTDF-80F,,
用途及原理
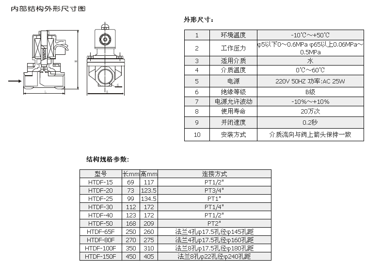
HTDF系列電磁閥是自動控制系統(tǒng)中常見的開關元件、為音樂噴泉的核心控制設備,特別適用于跑泉、跳泉的水路控制。
HTDF系列電磁閥是利用介質壓力差工作的直動式電磁閥門,它采用膜片結構,具有啟閉迅速、性能穩(wěn)定、使用方便、可靠性高、壽命長等特點;該閥坑污能力極強,可在江、河、湖、海及各種人工水域中長期使用,基高超的性能處于國內領先水平。


零壓差電磁閥 先導式電磁閥 二位二通電磁閥 直動式并聯(lián)電磁閥普通會員
站內搜索
|
HTDF-15,HTDF-20,HTDF-30,HTDF-40,HTDF-50,HTDF-65F,專用電磁閥
詳細信息 HTDF-15,HTDF-20,HTDF-30,HTDF-40,HTDF-50,HTDF-65F,專用電磁閥
HTDF-25,HTDF-80F,,
共0條 相關評論 |