Z-150,Z-250,YZ-40,YZ-60,YZ-100,YZ-150,YZ-250

客服熱線:13812199898 13861877712
網(wǎng)尚購工業(yè)品普通會員
站內搜索
|
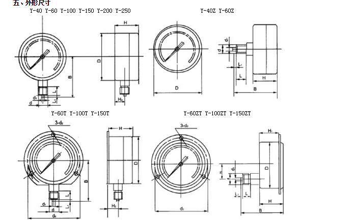
Y-40,Y-60,Y-100,Y-150,Y-250,Z-40,Z-60,Z-100,壓力真空表
詳細信息 Y-40,Y-60,Y-100,Y-150,Y-250,Z-40,Z-60,Z-100,壓力真空表
Z-150,Z-250,YZ-40,YZ-60,YZ-100,YZ-150,YZ-250 ![]() 共0條 相關評論 |