UPF1S-CL-06-B-W-20,UPF1S-CL-06-A-W-20,UPF1S-CL-06-F-W-20,UPF1S-CL-08-B-W-20,
UPF1S-CL-08-A-W-20,UPF1S-CL-08-F-W-20,UPF1S-CL-10-B-W-20,UPF1S-CL-10-A-W-20,
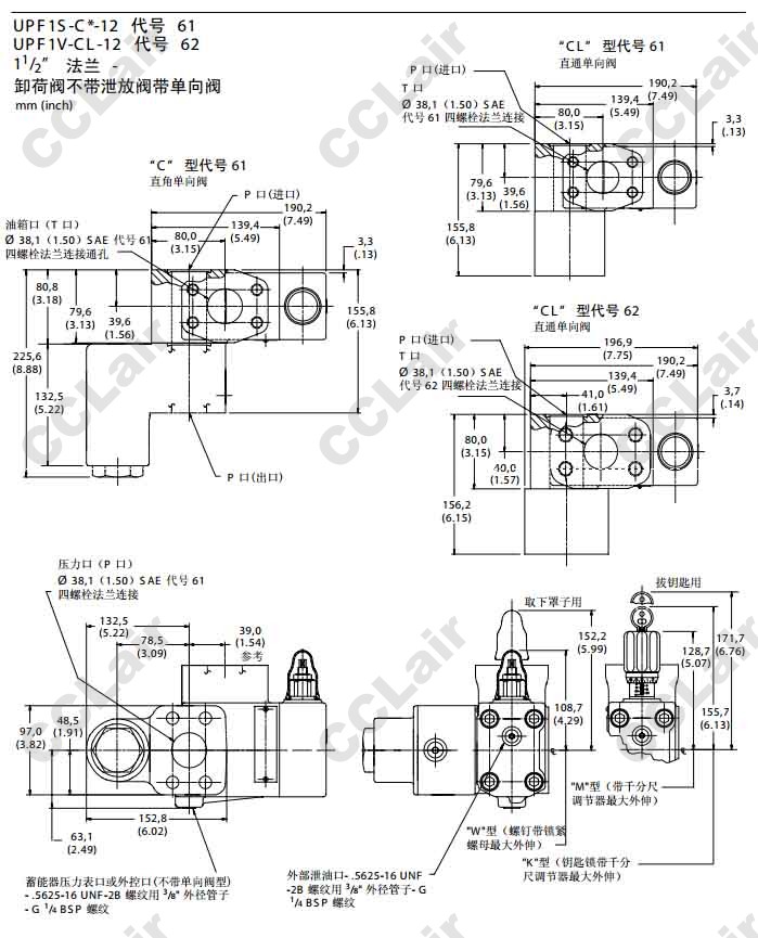
UPF1S-CL-10-F-W-20,UPF1S-CL-12-B-W-20,威格士-Vickers UPF1S-CL-12-A-W-20,UPF1S-CL-12-F-W-20,
UPF1V-CL-12-A-W-20,UPF1V-CL-12-B-W-20,UPF1V-CL-12-F-W-20,UPF1V-CL-12-G-W-20,











客服熱線:



