

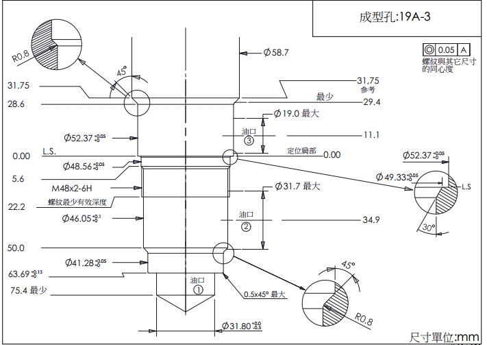
MB-19A-3A-H-L,MB-19A-3C-H-L,MB-19A-3C-J-L,MB-19A-3D-J-L,MB-19A-3D-I-L,winner負載控制閥
止回閥 抗衡閥 方向閥 比例放大器 流量控制閥 減壓閥 調壓閥 順序閥 電磁閥普通會員
站內搜索
|
您當前的位置:首頁 » 產品&解決方案 » MB-19A-3A-H-L,MB-19A-3C-H-L,MB-19A-3C-J-L,MB-19A-3D-J-L,MB-19A-3D-I-L,winner負載控制閥
MB-19A-3A-H-L,MB-19A-3C-H-L,MB-19A-3C-J-L,MB-19A-3D-J-L,MB-19A-3D-I-L,winner負載控制閥
詳細信息 MB-19A-3A-H-L,MB-19A-3C-H-L,MB-19A-3C-J-L,MB-19A-3D-J-L,MB-19A-3D-I-L,winner負載控制閥
共0條 相關評論 |