|
公司基本資料信息
|
|||||||||||||||
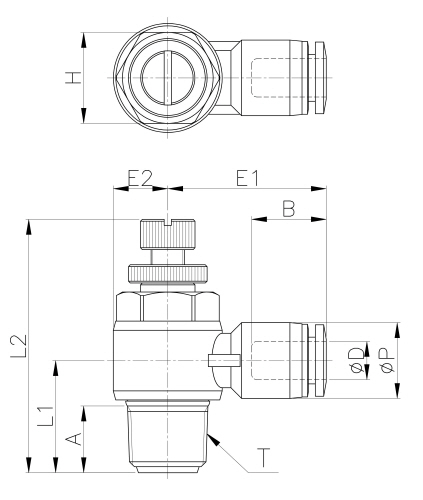
NSC03-M5,NSC04-M5,NSC06-M5,NSC08-01,NSC10-01,NSC12-02,NSC04-01,調(diào)速閥
| Model | ¢D | ¢P | T | L1 | L2/MIN | L2/MAX | E1 | E2 | A | B | H(Hex) | WEIGHT(g) | BOX(EA) |
| NSC03-M5 | 3 | 7.8 | M5*0.8p | 9.6 | 27.1 | 29.1 | 16.5 | 5 | 3.6 | 11.3 | 8 | 8 | 50 |
| NSC04-M5 | 4 | 10.5 | M5*0.8p | 10.3 | 27.1 | 29.1 | 20.2 | 5 | 3.6 | 14.8 | 8 | 9 | 50 |
| NSC04-01 | 4 | 10.5 | R 1/8 | 15.1 | 35.5 | 40.7 | 23.3 | 7 | 8.2 | 15.3 | 11 | 20 | 50 |
| NSC04-02 | 4 | 10.5 | R 1/4 | 18.4 | 40.3 | 46.6 | 25.3 | 9 | 11 | 15.3 | 15 | 36 | 50 |
| NSC06-M5 | 6 | 12.5 | M5*0.8p | 11.4 | 27.1 | 29.1 | 22.7 | 5 | 3.6 | 16.4 | 8 | 10 | 50 |
| NSC06-01 | 6 | 12.5 | R 1/8 | 15.1 | 35.5 | 40.7 | 24.2 | 7 | 8.2 | 16.4 | 11 | 21 | 50 |
| NSC06-02 | 6 | 12.5 | R 1/4 | 18.4 | 40.3 | 46.6 | 26.2 | 9 | 11 | 16.4 | 15 | 37 | 50 |
| NSC06-03 | 6 | 12.5 | R 3/8 | 21.9 | 46.9 | 54.9 | 27.7 | 11 | 12.2 | 16.4 | 19 | 70 | 25 |
| NSC06-04 | 6 | 12.5 | R 1/2 | 26.5 | 54 | 60.1 | 30.8 | 14 | 16.5 | 16.4 | 24 | 108 | 20 |
| NSC08-01 | 8 | 14.5 | R 1/8 | 16.2 | 35.5 | 40.7 | 25.9 | 7 | 8.2 | 18.3 | 11 | 22 | 50 |
| NSC08-02 | 8 | 14.5 | R 1/4 | 19.2 | 40.3 | 46.6 | 27.9 | 9 | 11 | 18.3 | 15 | 38 | 50 |
| NSC08-03 | 8 | 14.5 | R 3/8 | 21.9 | 46.9 | 54.9 | 28.9 | 11 | 12.2 | 18.3 | 19 | 71 | 25 |
| NSC08-04 | 8 | 14.5 | R 1/2 | 26.5 | 54 | 60.1 | 31.8 | 14 | 16.5 | 18.3 | 24 | 109 | 20 |
| NSC10-01 | 10 | 17.5 | R 1/8 | 17.7 | 35.5 | 40.7 | 27.9 | 7 | 8.2 | 19.7 | 11 | 26 | 25 |
| NSC10-02 | 10 | 17.5 | R 1/4 | 20.7 | 40.3 | 46.6 | 29.9 | 9 | 11 | 19.7 | 15 | 42 | 25 |
| NSC10-03 | 10 | 17.5 | R 3/8 | 23.2 | 46.9 | 54.9 | 31 | 11.2 | 12.2 | 19.7 | 19 | 73 | 25 |
| NSC10-04 | 10 | 17.5 | R 1/2 | 26.5 | 54 | 60.1 | 33.4 | 14 | 16.5 | 19.7 | 24 | 110 | 20 |
| NSC12-02 | 12 | 20.5 | R 1/4 | 22.2 | 40.3 | 46.6 | 33.3 | 9 | 11 | 22.4 | 15 | 45 | 25 |
| NSC12-03 | 12 | 20.5 | R 3/8 | 24 | 46.9 | 54.9 | 33.7 | 11.5 | 12.2 | 21.9 | 19 | 75 | 25 |
| NSC12-04 | 12 | 20.5 | R 1/2 | 28 | 54 | 60.1 | 36.1 | 14 | 16.5 | 21.9 | 24 | 113 | 20 |
外形尺寸
