|
公司基本資料信息
|
|||||||||||||||
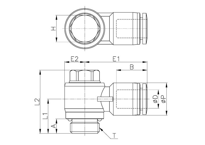
PH04-G01,PH06-G01,PH08-G01,PH10-G02,PH12-G03,快插式管接頭
| Model | ∅D | ∅P | T | L1 | L2 | E1 | E2 | A | B | H(Hex) | ORIFICE | WEIGHT(g) | EA(BOX) |
| PH04-G01 | 4 | 10.5 | G 1/8 | 14.3 | 24.7 | 23.3 | 7 | 5 | 15.3 | 8 | 3 | 15 | 50 |
| PH04-G02 | 4 | 10.5 | G 1/4 | 16.1 | 28.3 | 25.3 | 9 | 6.5 | 15.3 | 12 | 3 | 25 | 50 |
| PH06-G01 | 6 | 12.5 | G 1/8 | 14.3 | 24.7 | 24.2 | 7 | 5 | 16.4 | 8 | 4.5 | 16 | 50 |
| PH06-G02 | 6 | 12.5 | G 1/4 | 16.1 | 28.3 | 26.2 | 9 | 6.5 | 16.4 | 12 | 5 | 26 | 50 |
| PH06-G03 | 6 | 12.5 | G 3/8 | 19.9 | 33 | 27.7 | 11 | 6.5 | 16.4 | 14 | 5 | 50 | 25 |
| PH08-G01 | 8 | 14.5 | G 1/8 | 13.2 | 24.7 | 25.9 | 7 | 5 | 18.3 | 8 | 5 | 17 | 50 |
| PH08-G02 | 8 | 14.5 | G 1/4 | 15.4 | 28.3 | 27.9 | 9 | 6.5 | 18.3 | 12 | 6.6 | 26 | 50 |
| PH08-G03 | 8 | 14.5 | G 3/8 | 19.9 | 33 | 28.9 | 11 | 6.5 | 18.3 | 14 | 6 | 50 | 25 |
| PH08-G04 | 8 | 14.5 | G 1/2 | 22.2 | 37.7 | 31.8 | 14 | 8 | 18.3 | 19 | 6.5 | 70 | 25 |
| PH10-G02 | 10 | 17.5 | G 1/4 | 17.4 | 28.3 | 29.9 | 9 | 6.5 | 19.7 | 12 | 6.4 | 28 | 25 |
| PH10-G03 | 10 | 17.5 | G 3/8 | 18.6 | 33 | 31 | 11 | 6.5 | 19.7 | 14 | 8.2 | 50 | 25 |
| PH10-G04 | 10 | 17.5 | G 1/2 | 22.2 | 37.7 | 33.4 | 14 | 8 | 19.7 | 19 | 8 | 73 | 20 |
| PH12-G03 | 12 | 20.5 | G 3/8 | 17.8 | 33 | 33.7 | 11 | 6.5 | 21.9 | 14 | 9.6 | 53 | 25 |
| PH12-G04 | 12 | 20.5 | G 1/2 | 20.7 | 37.7 | 36.1 | 14 | 8 | 21.9 | 19 | 9.5 | 78 | 20 |
外形尺寸
