|
公司基本資料信息
|
|||||||||||||||
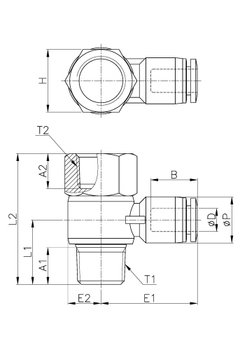
PHF10-02,PHF10-03,PHF10-04,PHF12-03,PHF12-04,
| Model | ¢D | ¢P | T1 | T2 | L1 | L2 | E1 | E2 | A1 | A2 | B | H(Hex) | ORIFICE | WEIGHT(g) | BOX(EA) |
| PHF03-M5 | 3 | 7.8 | M5*0.8p | M5*0.8p | 9.6 | 20 | 16.6 | 5 | 3.6 | 6 | 11.3 | 8 | 2 | 7 | 100 |
| PHF04-M5 | 4 | 10.5 | M5*0.8p | M5*0.8p | 10.3 | 20 | 20.2 | 5 | 3.6 | 6 | 14.8 | 8 | 2 | 7 | 50 |
| PHF04-M6 | 4 | 10.5 | M6*1.0p | M6*1.0p | 12 | 25 | 23.3 | 7 | 4.1 | 8 | 14.8 | 11 | 2.5 | 16 | 50 |
| PHF04-01 | 4 | 10.5 | R 1/8 | Rc 1/8 | 14.9 | 30.7 | 23.3 | 7 | 8 | 9 | 15.3 | 14 | 3 | 20 | 50 |
| PHF04-02 | 4 | 10.5 | R 1/4 | Rc 1/4 | 17.4 | 35.5 | 25.3 | 9 | 10 | 11 | 15.3 | 17 | 3 | 31 | 50 |
| PHF06-M5 | 6 | 12.5 | M5*0.8p | M5*0.8p | 11.4 | 20 | 22.7 | 5 | 3.6 | 6 | 16.4 | 8 | 2 | 9 | 50 |
| PHF06-M6 | 6 | 12.5 | M6*1.0p | M6*1.0p | 12 | 25 | 24.2 | 7 | 4.1 | 8 | 16.4 | 11 | 3 | 16 | 50 |
| PHF06-01 | 6 | 12.5 | R 1/8 | Rc /18 | 14.9 | 30.7 | 24.2 | 7 | 8 | 9 | 16.4 | 14 | 4.5 | 20 | 50 |
| PHF06-02 | 6 | 12.5 | R 1/4 | Rc 1/4 | 17.4 | 35.5 | 26.2 | 9 | 10 | 11 | 16.4 | 17 | 5 | 32 | 50 |
| PHF06-03 | 6 | 12.5 | R 3/8 | Rc 3/8 | 19.9 | 41.2 | 27.7 | 11 | 11 | 13 | 16.4 | 21 | 5 | 55 | 25 |
| PHF06-04 | 6 | 12.5 | R 1/2 | Rc 1/2 | 24 | 49.5 | 30.7 | 14 | 14 | 15 | 16.4 | 24 | 5 | 65 | 25 |
| PHF08-01 | 8 | 14.8 | R 1/8 | Rc 1/8 | 16 | 30.7 | 25.9 | 7 | 8 | 9 | 18.3 | 14 | 5 | 22 | 50 |
| PHF08-02 | 8 | 14.8 | R 1/4 | Rc 1/4 | 18.2 | 35.5 | 27.9 | 9 | 10 | 11 | 18.3 | 17 | 6.6 | 32 | 50 |
| PHF08-03 | 8 | 14.8 | R 3/8 | Rc 3/8 | 19.9 | 41.2 | 28.9 | 11 | 11 | 13 | 18.3 | 21 | 6 | 56 | 25 |
| PHF08-04 | 8 | 14.8 | R 1/2 | Rc 1/2 | 24 | 49.5 | 31.8 | 14 | 14 | 15 | 18.3 | 24 | 6.5 | 85 | 20 |
| PHF10-01 | 10 | 17.5 | R 1/8 | Rc 1/8 | 17.5 | 30.7 | 28.1 | 7 | 8 | 9 | 19.7 | 14 | 5 | 30 | 25 |
| PHF10-02 | 10 | 17.5 | R 1/4 | Rc 1/4 | 19.7 | 35.5 | 29.9 | 9 | 10 | 11 | 19.7 | 17 | 6.4 | 34 | 25 |
| PHF10-03 | 10 | 17.5 | R 3/8 | Rc 3/8 | 21.2 | 41.2 | 31 | 11.2 | 11 | 13 | 19.7 | 21 | 8.2 | 58 | 25 |
| PHF10-04 | 10 | 17.5 | R 1/2 | Rc 1/2 | 24 | 49.5 | 33.4 | 14 | 14 | 15 | 19.7 | 24 | 8 | 86 | 20 |
| PHF12-02 | 12 | 20.5 | R 1/4 | Rc 1/4 | 21.2 | 35.5 | 33.3 | 9 | 10 | 11 | 22.4 | 17 | 7 | 55 | 25 |
| PHF12-03 | 12 | 20.5 | R 3/8 | Rc 3/8 | 22 | 41.2 | 33.7 | 11.5 | 11 | 13 | 21.9 | 21 | 9.6 | 62 | 25 |
| PHF12-04 | 12 | 20.5 | R 1/2 | Rc 1/2 | 25.5 | 49.5 | 36.1 | 14 | 14 | 15 | 21.9 | 24 | 9.5 | 90 | 20 |
外形尺寸
