|
公司基本資料信息
|
|||||||||||||||
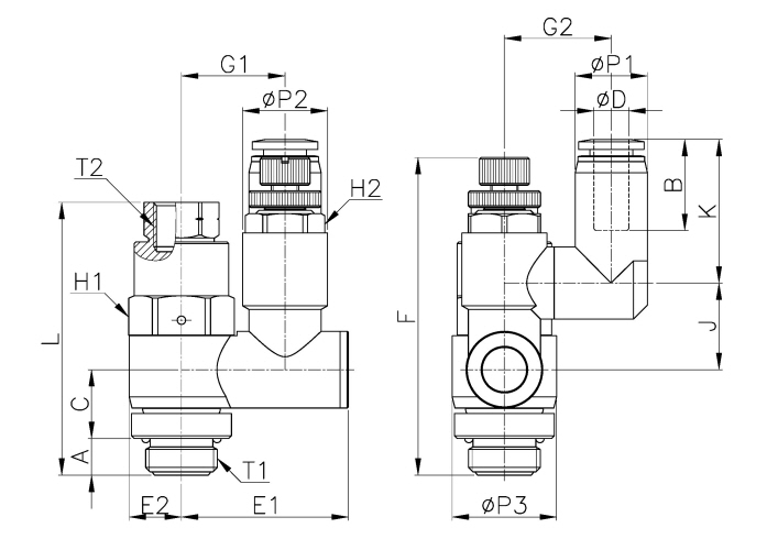
PVSC06-G01,PVSC08-G01,PVSC10-G03,PVSC12-G03,PVSC06-G02,調速閥
| Model | ∅D | A | T1 | T2 | B | ∅P1 | ∅P2 | ∅P3 | C | L | E1 | E2 | F/MIN | F/MAX | G1 | G2 | J | K | H1(Hex) | H2(Hex) | WEIGHT(g) | BOX(EA) |
| PVSC06-G01 | 6 | 5.1 | G 1/8 | M5 | 16.4 | 12.5 | 12 | 15 | 10.9 | 41 | 24.2 | 7.5 | 50.6 | 55.4 | 14.3 | 14.2 | 12.9 | 24 | 12 | 10 | 44.6 | 20 |
| PVSC06-G02 | 6 | 6.6 | G 1/4 | G 1/8 | 16.4 | 13 | 15.3 | 18.8 | 12.4 | 49.1 | 30.1 | 9.4 | 57.1 | 61.9 | 18.7 | 19.3 | 15.6 | 25.9 | 17 | 13 | 79.4 | 20 |
| PVSC08-G01 | 8 | 5.1 | G 1/8 | M5 | 18.3 | 14.8 | 12 | 15 | 10.9 | 41 | 24.2 | 7.5 | 50.6 | 55.4 | 14.3 | 15.4 | 12.6 | 24.9 | 12 | 10 | 42.6 | 20 |
| PVSC08-G02 | 8 | 6.6 | G 1/4 | G 1/8 | 18.3 | 14.8 | 15.3 | 18.8 | 12.4 | 49.1 | 30.1 | 9.4 | 57.1 | 61.9 | 18.7 | 18.3 | 15.9 | 28.3 | 17 | 13 | 80.4 | 20 |
| PVSC08-G03 | 8 | 7.2 | G 3/8 | G 1/8 | 18.3 | 15 | 20.2 | 23 | 15.3 | 56.9 | 37.1 | 11.5 | 67.2 | 72.2 | 22.8 | 23.3 | 19.1 | 29.3 | 19 | 17 | 124.9 | 9 |
| PVSC10-G03 | 10 | 7.2 | G 3/8 | G 1/8 | 20.2 | 17.5 | 20.2 | 23 | 15.3 | 56.9 | 37.1 | 11.5 | 67.2 | 72.2 | 22.8 | 23.3 | 19.1 | 31.7 | 19 | 17 | 137.9 | 9 |
| PVSC10-G04 | 10 | 8.7 | G 1/2 | G 1/4 | 20.2 | 17.5 | 27.2 | 28.7 | 19.3 | 70.8 | 47.4 | 14.4 | 81.3 | 78.5 | 29.1 | 26.3 | 25.6 | 33.1 | 24 | 23 | 252.6 | 6 |
| PVSC12-G03 | 12 | 7.2 | G 3/8 | G 1/8 | 22.9 | 20.5 | 20.2 | 23 | 15.3 | 56.9 | 37.1 | 11.5 | 67.2 | 72.2 | 22.8 | 23.3 | 19.1 | 34.4 | 19 | 17 | 145.9 | 6 |
| PVSC12-G04 | 12 | 8.7 | G 1/2 | G 1/4 | 22.9 | 20.5 | 27.2 | 28.7 | 19.3 | 70.8 | 47.4 | 14.4 | 81.3 | 78.5 | 29.1 | 26.3 | 25.6 | 35.8 | 24 | 23 | 238.6 | 6 |
外形尺寸
