|
公司基本資料信息
|
|||||||||||||||
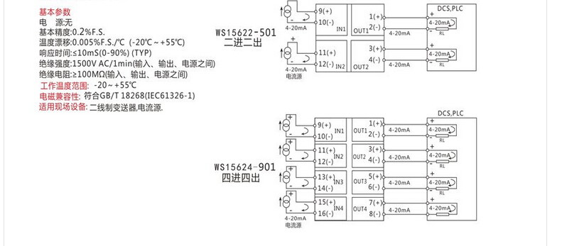
WS15622無源信號隔離器,全隔離信號隔離器,將輸入的四路信號隔離輸出,無需外接電源可正常工作,輸入輸出隔離,傳輸精度高,標準DIN T型導軌安裝
無源信號隔離器輸入輸出方式:一入一出、一入二出無源信號隔離器輸入 輸出范圍:4-20mA模擬量信號。


產品型號:
WS15622-111,WS15622-121.WS15622-101
WS15622-211,WS15622-221.WS15622-201,
WS15622-511,WS15622-521.WS15622-501,
WS15622-911,WS15622-921.WS15622-901,