|
公司基本資料信息
|
|||||||||||||||
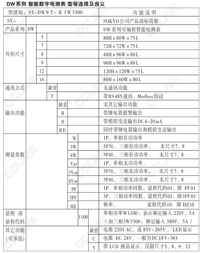
SY-DW12-3PF3300Y,SY-DW12-R3PF3300,SY-DW12-R3PF3300C,SY-DW12-R3PF3300Y,SY-DW12-D3PF3300,SY-DW12-D3PF3300C,SY-DW12-D3PF3300Y,SY-DW12-RD3PF3300,SY-DW12-RD3PF3300C,SY-DW12-RD3PF3300Y,SY-DW12T-3PF3300,SY-DW12T-3PF3300C,SY-DW12T-3PF3300Y,SY-DW12T-R3PF3300,SY-DW12T-R3PF3300C,SY-DW12T-R3PF3300Y,SY-DW12T-D3PF3300,SY-DW12T-D3PF3300C,SY-DW12T-D3PF3300Y,SY-DW12T-RD3PF3300,,DW12-3PF3300,DW12-3PF3300C,DW12-3PF3300Y,DW12-R3PF3300,DW12-R3PF3300C,DW12-R3PF3300Y,DW12-D3PF3300,DW12-D3PF3300C,DW12-D3PF3300Y,DW12-RD3PF3300,DW12-RD3PF3300C,DW12-RD3PF3300Y,DW12T-3PF3300,DW12T-3PF3300C,DW12T-3PF3300Y,DW12T-R3PF3300,DW12T-R3PF3300C,DW12T-R3PF3300Y,DW12T-D3PF3300,DW12T-D3PF3300C,DW12T-D3PF3300Y,DW12T-RD3PF3300,DW12T-RD3PF3300C,DW12T-RD3PF3300Y




