|
公司基本資料信息
|
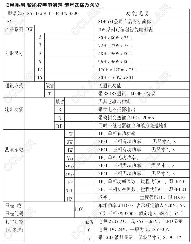
|||||||||||||||
SY-DW5-W1100Y,SY-DW5-RW1100,SY-DW5-RW1100C,SY-DW5-RW1100Y,SY-DW5-DW1100,SY-DW5-DW1100C,SY-DW5-DW1100Y,SY-DW5-RDW1100,SY-DW5-RDW1100C,SY-DW5-RDW1100Y,SY-DW5T-W1100,SY-DW5T-W1100C,SY-DW5T-W1100Y,SY-DW5T-RW1100,SY-DW5T-RW1100C,SY-DW5T-RW1100Y,SY-DW5T-DW1100,SY-DW5T-DW1100C,SY-DW5T-DW1100Y,SY-DW5T-RDW1100,SY-DW5T-RDW1100C,SY-DW5T-RDW1100Y,DW5-W1100,DW5-W1100C,DW5-W1100Y,DW5-RW1100,DW5-RW1100C,DW5-RW1100Y,DW5-DW1100,DW5-DW1100C,DW5-DW1100Y,DW5-RDW1100,DW5-RDW1100C,DW5-RDW1100Y,DW5T-W1100,DW5T-W1100C,DW5T-W1100Y,DW5T-RW1100,DW5T-RW1100C,DW5T-RW1100Y,DW5T-DW1100,DW5T-DW1100C,DW5T-DW1100Y,DW5T-RDW1100,DW5T-RDW1100C,DW5T-RDW1100Y




