|
公司基本資料信息
|
|||||||||||||||
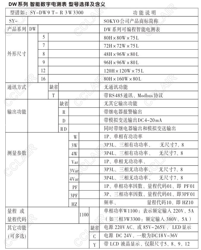
SY-DW12-W1100Y,SY-DW12-RW1100,SY-DW12-RW1100C,SY-DW12-RW1100Y,SY-DW12-DW1100,SY-DW12-DW1100C,SY-DW12-DW1100Y,SY-DW12-RDW1100,SY-DW12-RDW1100C,SY-DW12-RDW1100Y,SY-DW12T-W1100,SY-DW12T-W1100C,SY-DW12T-W1100Y,SY-DW12T-RW1100,SY-DW12T-RW1100C,SY-DW12T-RW1100Y,SY-DW12T-DW1100,SY-DW12T-DW1100C,SY-DW12T-DW1100Y,SY-DW12T-RDW1100,SY-DW12T-RDW1100C,SY-DW12T-RDW1100Y,DW12-W1100Y,DW12-RW1100,DW12-RW1100C,DW12-RW1100Y,DW12-DW1100,DW12-DW1100C,DW12-DW1100Y,DW12-RDW1100,DW12-RDW1100C,DW12-RDW1100Y,DW12T-W1100,DW12T-W1100C,DW12T-W1100Y,DW12T-RW1100,DW12T-RW1100C,DW12T-RW1100Y,DW12T-DW1100,DW12T-DW1100C,DW12T-DW1100Y,DW12T-RDW1100,DW12T-RDW1100C,DW12T-RDW1100Y




