|
公司基本資料信息
|
|||||||||||||||





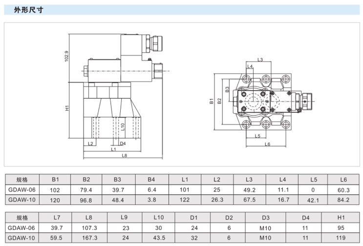
GDAW-06-05,GDAW-06-40,GDAW-06-05-A/D24A/53 隔爆電磁單向閥 GDAW-06-05-A/D24A/53,GDAW-06-40-A/D24A/53, GDAW-06-05-B/D24A/53,GDAW-06-40-B/D24A/53, GDAW-06-05-A/B127A/53,GDAW-06-40-A/B127A/53, GDAW-06-05-B/B127A/53,GDAW-06-40-B/B127A/53, GDAW-06-05-A/B220A/53,GDAW-06-40-A/B220A/53, GDAW-06-05-B/B220A/53,GDAW-06-40-B/B220A/53,