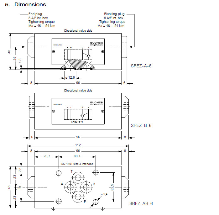
SREZ-A-6-1,SREZ-B-6-1,SREZ-AB-6-1,SREZ-A-6-V-1,SREZ-B-6-V-1,SREZ-AB-6-V-1,Bucher模塊安裝止回閥 |
 點擊圖片查看原圖
|
|
| 型號: |
SREZ-A-6-1,SREZ-B-6-1,SREZ-AB-6-1,SREZ-A-6-V-1,SREZ-B-6-V-1,SREZ-AB-6-V-1 |
| PDF下載: |
如需產品詳細說明請與銷售客服聯(lián)系 |
| 瀏覽次數: |
534 |
|
|
|
|
公司基本資料信息
-
聯(lián)系人銷售員 1579(先生)
- 電話13861877712
- 地區(qū)江蘇-無錫市
- 地址無錫市會北路28-135
|